X Fechar
CO-1 - Célula de Carga
CO-1 - Célula de Carga
CO-1 - Célula de CargaCO-1 - Célula de Carga

CO-1 - Célula de Carga

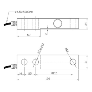
Capacidades 300 kg, 500 kg, 750 kg, 1000 kg, 1500 kg

Especificações:

▪ Capacidades 300 kg, 500 kg, 750 kg, 1000 kg, 1500 kg

▪ Divisões até 4000 divisões OIML-R60

▪ Totalmente em aço inoxidável

▪ Classificação IP-67

▪ Classe de Precisão C3-C4

▪ Saída Nominal (RO) 2 mV/V

▪ Erro da Taxa de Saída (RO%) ± 0,1%

▪ Vmin Emax/15000

▪ Tensão de Excitação 5...15 V

▪ Resistência de Entrada 350 ± 5 Ω

▪ Resistência de Saída 350 ± 3 Ω

▪ Equilíbrio de Zero ± 1%

▪ Faixa de Compensação de Temperatura -10...+40°C

▪ Faixa de Temperatura de Operação -35...+70°C

▪ Faixa de Temperatura de Armazenamento -40...+80°C ℃

▪ Limite de Carga Segura 150% Emax

▪ Resistência de Isolamento >5000MΩ

▪ Comprimento do Cabo 5m

desenvolvido por aznegocios.pt